În perioada 21 mai - 8 iun 2026, din motive organizatorice, întrerupem preluarea comenzilor online! Mulțumim pentru înțelegere!

Häfele Glisiera cu role Matrix R S25, lungime 300 mm, cu extragere partiala si autoinchidere

Häfele
15,30 RON
Lungime nominala 300 mm, finisaj alb Ral 9003
In stoc

Data de livrare: Miercuri, 27.05.2026

Limita stoc
Adauga in cos
Cod Produs: 423.37.231 Ai nevoie de ajutor? 0758774972
Adauga la Favorite Cere informatii
  • Descriere
  • Review-uri (0)
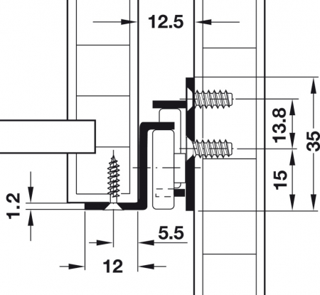
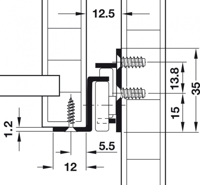
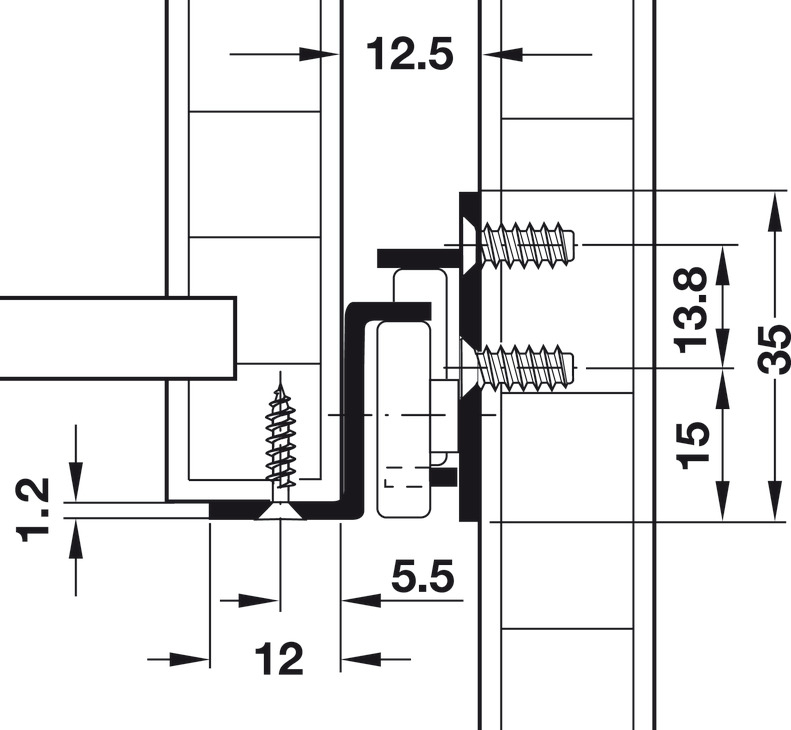
Furnizat fara materiale fixare!!! 
Capacitate portanta - 25 kg
Culoare / finisaj - Alb Ral 9003, vopsit in camp electrostatic
Tip de extensie - Extragere partiala
Materie prima - Otel
Dimensiuni - Latimea sertarului = latimea interioara a corpului - 25 mm
Instalare - fixare pe baza sertarului si pe laterala corp
Lungimea sertarului - 300 mm
Lungime pe montaj - 300 mm
Lungime nominala - 300 mm
Lungimea extensiei - 213 mm
Pierdere la extensie - 87 mm
Informatii conformitate produs
Daca doresti sa iti exprimi parerea despre acest produs poti adauga un review.

Review-ul a fost trimis cu succes.

Suport clienti Luni-vineri 9.00-17.00

0758774972 comercial@mobilist.ro

Compara produse

Trebuie sa mai adaugi cel putin un produs pentru a compara produse.

A fost adaugat la favorite!

A fost sters din favorite!